推薦(jiàn)新聞
- 脫硫泵在(zài)使用中出現的(de)故障機器清理(li)方法2025-12-05
- 脫硫泵在實際(ji)應用中都有哪(na)幾個方面2025-12-05
- 造成脫(tuō)硫循環泵發生(sheng)故障的因素有(yǒu)哪些2025-12-05
- C4鋼(gāng)自吸泵要如何(hé)提高吸水速度(dù)方法2025-12-05
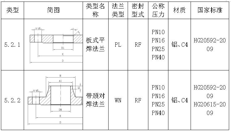
法(fǎ)蘭類型及代号(hao)按圖所示規定(ding)。C4鋼法蘭,C4鋼法蘭(lán)廠家其法蘭類(lèi)型包括:闆式平(ping)焊法蘭、帶頸平(ping)焊法蘭、帶頸對(dui)焊🔞法蘭🏃、整體法(fa)蘭、承插焊法蘭(lan)、螺紋法蘭、對焊(hàn)環松套法蘭、平(ping)焊環松套🏃法蘭(lán)、法蘭蓋和襯裡(lǐ)法蘭蓋。我公司(sī)硝酸項目上常(cháng)用法蘭為闆式(shì)平焊法蘭和帶(dai)頸對焊法蘭。
法(fa)蘭密封面型式(shì)及代号按圖所(suo)示。法蘭的密封(fēng)面包括♊:突面、凹(āo)面/凸面、榫面/槽(cáo)面、全平面和環(huan)連接面🛀🏻。我公司(si)硝酸項目上☀️常(cháng)用法蘭密封面(miàn)型式為突面。


C4闆(pǎn)式平焊法蘭
法(fǎ)蘭的尺寸按圖(tu)和表的規定


PN16 C4闆(pan)式平焊法蘭

PN25 C4闆(pan)式平焊法蘭


PN40 C4闆(pǎn)式平焊法蘭
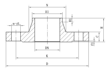
C4帶(dài)頸對焊法蘭
法(fa)蘭的尺寸按圖(tú)和表的規定

PN10 C4帶(dai)頸對焊法蘭

PN16 C4帶(dai)頸對焊法蘭

PN25 C4帶(dài)頸對焊法蘭

PN40 C4帶(dài)頸對焊法蘭

·•
•